載帶(CarrierTape)
半導體或電子元件用包材
[產業類別]
車用、手機、PC、家電
[說明]
將PS樹脂等材質的片材作口袋加工,實現半導體和電子元件的表面連續貼裝
[應用範例]
● 各種SMD半導體元件
● 電子元件
[特點]
● 多種成形方式,根據元件形狀、尺寸、月需求等,選擇最佳的製造方法
● 針對0201M等超小型晶片、裸晶片等超薄產品、半導體元件的引線保護以及不規則形狀的連接器,皆可以精密成形技術對應
● 可對應 4mm 寬度 x 0.5mm 間距 ●保有超過 1000 個模具,可對應各種尺寸的口袋
● 透過充足的產能和完善的生產體系,實現穩定的供應
● 工廠遍布日本、中國、馬來西亞,可避免潛在的地緣政治風險
[規格]
● 可對應4mm~72mm帶寬
● PS/APET、絕緣/導電等,多種載帶材質可供選擇
● 大/小口徑、單層/多層纏繞等,多種捲軸類型可供選擇
● 若現有模具無法匹配,將為產品設計最合適的口袋尺寸
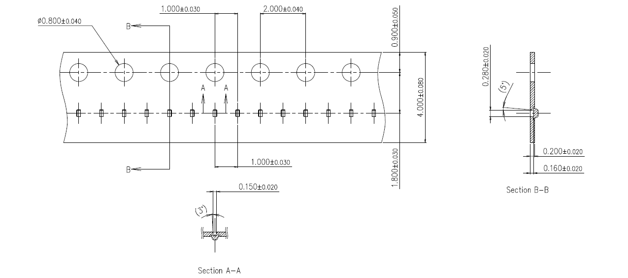
[極小元件用載帶【W4P1】]
● 極小尺寸R角(口袋開口處),避免元件跳出問題
● 可對應0201M元件、口袋深度小至60um
● 不會產生紙屑,可實現更潔淨的貼裝
● 塑膠材質較不易受溫、濕度等影響口袋尺寸
● 使用導電材料,相比紙載帶更能抑制貼裝時的靜電影響
● 材料面積縮減為W8P2載帶的四分之一,大幅減少廢棄物的產生

極小元件用載帶

0201M載帶圖面
如需有關產品或其他方面的諮詢,歡迎通過聯絡我們與我們聯繫,謝謝!

